


Descripción
Questo rubinetto da cucina contemporaneo è un'opzione estetica e pratica che unisce morbidezza e nobiltà nel suo utilizzo. Tutto ciò si ottiene grazie a severi test di qualità, sia con acqua in pressione che con aria, imponendo un certo numero di cicli di apertura-chiusura pari a quindici anni di vita utile del prodotto.
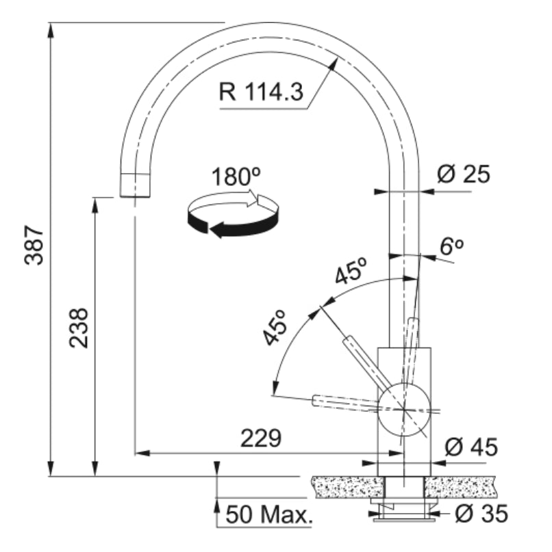
CARATTERISTICHE
- Materiale: acciaio inossidabile 304
- Rivestimento speciale: PVD
- Beccuccio: girevole
- Aeratore: Laminare
- Rotazione della testa: 180°
- Apertura comando: 0/90
- Flusso: 12L/Min (3 bar)
- Diametro del foro: 35 mm
Rif.: 115.0628.251
